昨日星稜高校の合格発表がありました。
合格したみなさん、おめでとうございます!
当塾生は全員星稜高校合格しました!
公立高校志望、石川高専志望、金沢附属高校志望のみなさん、いよいよ第一志望合格を目指してラストスパートですね。
今年も星稜高校から入試の詳しいデーターが公表されました。
ありがとうございます(^-^)

気になる泉丘、二水、桜丘のざっくりした合格ラインを考えていきます。
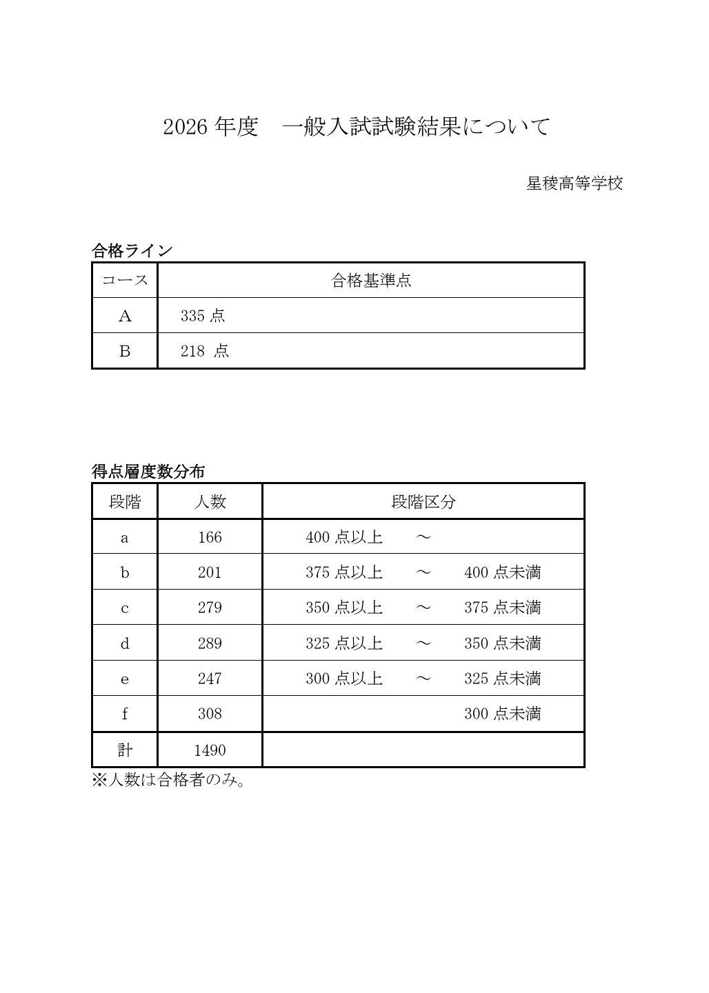
合格ラインをみてみます。(昨年→今年)
Aコース 343点→335点
Bコース 223点→218点
昨年より若干下がりましたね。
では合格ラインをみていきます。
合格ラインの前に注意事項です!
星稜高校と石川県公立高校入試の出題範囲、傾向が違います。
公立高校入試で得点が高い、数学の作図、証明、英語の英作、国語の作文が星稜にありません。
英語リスニングあるなし、社会の記述問題中心など星稜高校入試と公立高校入試の出題傾向は全く違います。
また公立高校入試と違い、星稜の過去問題はやっていない子も多いと思いますし、やっていたとしても対策をしていた子はほとんどいないと思います。
当塾でも星稜高校対策は全くしていません。
それをふまえて星稜高校入試結果での自分の学力の位置付けとして見てくださいね!
石川高専の推薦合格者は受験しておらず、附属高校の推薦受験者は受験しています。(推薦合格発表が星稜入試当日のため)
各高校の定員は、附属120人、泉丘400人、二水400人、桜丘360人です。
石川高専は一般入試で100人とします。
すごく大ざっぱですが、星稜合格者の中で泉丘は520人以内で合格。
二水の受験層は石川高専の受験層とかぶることが多いので、石川高専の定員も加えて1020人以内で合格。
桜丘高校は1380人以内で合格となります。
実際には星稜高校以外の私立高校からも受験するので上記の目安は最低ラインとなります。
得点層から各高校の合格最低ラインは
泉丘 cの上位
二水 eの上位(Aコース合格であれば安心)
桜丘 fの上位
あくまでも大ざっぱな目安なので参考程度にお願いいたします。
最初に書いたように石川県公立高校入試は星稜高校入試と全然違います。
思うように点数がとれなかった子たちは必要以上に落ち込んだり不安にならなくて大丈夫ですよ!
まだ1か月あります。
入試直前期は勉強の集中力が高まっているので学力が大幅に伸びる子がいます。
最後のラストスパートがとても大切です!
結果が良かった子は舞い上がったり、安心せずにもう一度気を引き締めてください。
金沢は今年雪が多いです。
今週末も寒波がくる予報です。
寒い日が続きますが、暖かい格好で体調管理をしっかりしながら勉強に励んでくださいね!